揭秘:英飞凌预驱模块TLE989x有哪些神奇功能?
英飞凌的MOTIX™ MCU(SoC)家族产品集成了驱动电机所有基本的模块,包括LDO,MCU,bridge driver,current sense amplifier, CAN/LIN收发器,高压检测等模块。在过去十多年的汽车小电机应用上,该系列产品已得到广泛使用。TLE989x作为全新产品,它的预驱模块也集成了英飞凌最新技术,那究竟有哪些神奇的功能呢?让我一探究竟吧。
在电机控制过程中,电流有时从控制器流向电机,有时反向。在死区时间内,高边和低边的MOS都没有开启,此时电流方向如下图FW线所示。
如果电流流向控制器(电机),那么只能通过高边(低边)MOS的体二极管流向电源(大地)。此时,我们称高边(低边)为free wheeling MOS,对应的另一侧低边(高边)为active MOS。
如果低边是active MOS,高边是free wheeling MOS。那么在死区时间内,因为电流经过高边二极管流向电源,所以VSHx=VVSD+Vdiode,如下图左侧所示。反之,VSHx=VSL-Vdiode,如下图右侧所示。
在高边或者低边处于free wheeling状态时,我们可以看到在死区时间内,VSH的电压差别很大。因为,TLE989x通过检测死区时间内的VSH电压,从而判断哪个mos是free wheeling状态。
如下图测试结果所示,1号通道是判断结果,2号通道是PWM波形。因为在三相BLDC的FOC控制过程中,相电流是正弦波,所以可以得到1号通道所示的判断结果在不断变化。
每个半桥在SH引脚处提供两个高速电压比较器,用于测量外部MOSFET导通或关断期间SH电压斜率的开始和结束。
如下图低边MOS控制信号示意图所示,在相应PWM控制信号的每次转换时进行时间测量并把结果存储到寄存器。高边时间测量是类似的原理。
MOS开关速度越快(慢), 其功耗越低(高),但EMC性能越差(好)。所以用户不得不在功耗和EMC性能指标上,通过调整开关速度,平衡二者关系。
如下图所示,自适应控制模式基于上一章节测到的开关时间,通过调整充放电电流大小,达到用户设定的开关目标时间。这极大降低了用户的工作量,而且一定程度上可以补偿MOS和预驱的参数离散性。
如果MOS处于free wheeling状态,在开启和关闭之前,电流已经通过MOS体二极管达到最大值。此时,用户只需要重点关注功耗,尽快打开MOS,降低损耗。所以采用constant mode是最佳选择。如果MOS处于active状态,在开启和关闭之前,其电流为0,在开关过程中,电流将会从free wheeling MOS逐渐切换到active MOS,所以需要控制电流的斜率dI/dt,采用sequencer mode是最佳选择。
基于此,TLE989x/8x可以基于前文介绍的active/freewheeling状态检测的结果,硬件自动在constant和sequencer mode之间选择。其实测效果如下图所示,第一相的相电流大于0,低边MOS是free wheeling状态。所以其开关模式是constant mode,只能看到一个电流峰值,也是设置最快速度开关MOS,进而在不影响EMC性能的前提下,尽可能降低开关损耗。第二相的相电流小于0,其低边MOS属于active,所以其开关模式是sequencer mode,可以看到多个电流峰值。
随着电机驱动系统的广泛应用,电机故障的快速检测变得尤为重要。英飞凌的驱动技术在这方面提供了一项创新的解决方案:无需打开驱动,即可检测电机短路和开路的情况。本节将详细解析这一功能的工作原理及实现方法。
一、电机短路检测
在电机驱动系统中,短路故障是常见的问题之一。英飞凌的驱动技术通过巧妙的电路设计,实现了在不启用驱动的情况下检测短路的能力。其工作原理如下:
a. 电路配置
当启用HB上的上MOSFET的下拉诊断电流源(IPddiag)时,上拉诊断电流源(IPudiag)默认处于启用状态。这种配置形成了一个固定电平,电约为1.5V。
b. 短路到地检测
如果电机存在短路到地的情况,LS DS检测比较器会感知到异常。此时,LS DS比较器的输出为0,并置位相关的状态位,以指示故障的发生。
c. 短路到电源检测
类似地,当电机发生短路到电源时,HS DS检测比较器会检测到异常。HS DS比较器的输出同样为0,并置位相关的状态位,提示系统存在短路到电源的故障。
通过这种方式,系统可以在不启用驱动的情况下,快速判断电机的短路故障类型。
二、电机开路检测
除了短路检测,英飞凌的驱动技术还支持电机开路的检测。这种检测方法同样依赖于诊断电流源的配置和比较器的阈值设置。具体实现步骤如下:
a. 电路配置
要检测HB1的开路情况,需启用HB2和HB3的上拉诊断电流源(IPudiag)。此时,比较器的阈值设置为最大值。
b. 正常状态检测
如果HB1未发生开路故障,由于上拉和下拉诊断电流源的比例关系,SH点的电压会稳定在约1.5V。
c. 开路状态检测
如果HB1发生开路,SH点的电压会由于上拉诊断电流源的作用,略高于母线电压。这种电压变化会触发HS DS检测比较器,置位相关状态位以指示开路故障。
然后通过依次启用HB2和HB3的上拉诊断电流源,系统可以按照相同的流程检测HB2和HB3的开路情况。
注意事项: 在启用下拉诊断电流源时,需等待一段时间(时间与电机感量有关),以确保电平达到稳定状态后再进行诊断。官方提供了样例函数供用户参考。
TLE9893通过精巧的电路设计和诊断逻辑,实现了在不启用驱动的情况下检测电机短路和开路的功能。这种方法不仅提高了系统的安全性,还节省了能耗,为电机驱动系统的可靠性提供了有力保障。
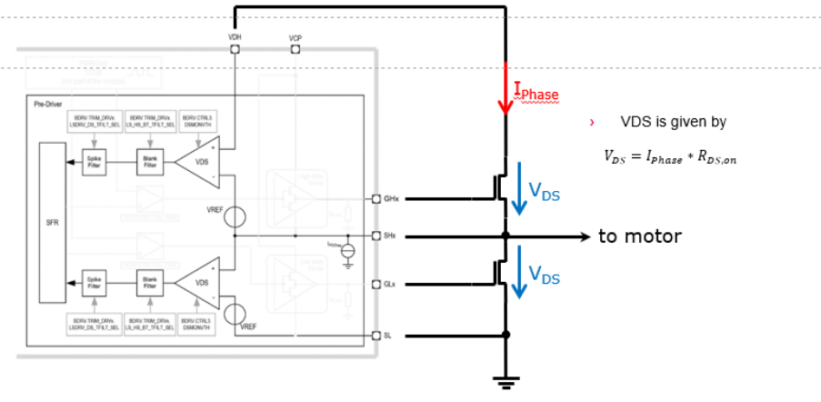
在驱动工作的时候,为了保护MOS不会因为短路,直通等故障烧毁。驱动还带有对开关状态的 MOS DS 电压检测 以及比较器保护功能。
如下图所示,VDS的比较器阈值可设置从0.125V一直到1.75V。分辨率在0.25V一档。比较器的相应时间较快加上相应的滤波,us级别就可以触发硬件级别的桥驱关断。
同时在 VDH引脚,SH引脚,都芯片内部连接到了 AD接口。可以辅助作为诊断。
上面所说的 VDS检测主要用于短路保护。对于基于详细电流阈值的保护,用户可以使用TLE9893运放模块集成的比较器,该模块可以设定各种阈值,也会在 us级别相应。 同时CSA的输出内部连接到AD,做辅助检测。
TLE9893内部集成两级charge pump。可以配置成两级工作,也可以配置成自动根据VSD的ADC的比较输出来切换,阈值可以自己设置。这样在电压下降的情况下,也可以切换成一级charge pump 来节约电流消耗。内部charge pump 时钟也是自带硬件抖频功能。
TLE9893带有 VCP和 VSD的差值比较器,在电压过低的时候可以直接置位关掉预驱,降低系统不确定性。VCP和 VSD也会同时连接到 ADC来辅助判断
除了上文提到的各种先进的功能外,TLE989x的预驱模块还集成了以下丰富的功能:
低功耗模式下的反向电动势过压唤醒功能。唤醒以后,用户可以通过软件进行制动,从而减小反向电动势对机械结构和电子器件带来的不利影响。
过温保护,过压保护等基本功能。
英飞凌先进的预驱技术,不仅能为用户设计带来便利,而且能够进一步提高系统的稳定性。

扫描二维码,关注英飞凌汽车电子寻找更多应用或产品信息





