从芯片到方案:MPS如何构建辅助驾驶安全护城河?
汽车智能化竞赛下半场,智能辅助驾驶系统已成为车企差异化竞争的核心要素。 随着技术的普及与同质化,辅助驾驶安全正从"溢价"走向"标配",成为决定消费者信任和市场竞争力的关键因素。 据乘联会发布的《2025年4月汽车智能网联洞察报告》显示,2025年1-4月,新能源乘用车L2级及以上的辅助驾驶功能装车率达到77.8%。 随着辅助驾驶功能从"能用"向"好用"、"爱用"演进,消费者对安全性的担忧也在增加。 如何确保整体系统的安全能力,成为了不可规避的话题。 一方面,完整的软件和算法安全决定着整套智能系统的上限;另一方面,优秀的硬件设计和外围电路安全则决定了整套系统的下限。 因此,唯有使用优质的产品,才能保证整车智能化的正常使用。 在这一领域,MPS作为深耕中国20余年的模拟集成电路企业,凭借其高级驾驶辅助系统(ADAS)解决方案,为车企提供从硬件可靠性(AEC-Q认证)到系统安全(ASIL认证)的全方位保障。 MPS自主研发的MPSafe™开发流程,已获得TÜV-SÜD颁发的ISO26262功能安全标准中最高的ASIL-D等级认证,同时其产品线满足AEC-Q100车规级可靠性标准,为整车智能化的基础安全提供了双重保障。
辅助驾驶技术正加速普及,但安全挑战日益凸显。近年来,自动驾驶领域事故频发,引发公众对辅助驾驶安全性的信任危机。
2018年,Uber的自动驾驶SUV在美国亚利桑那州撞倒一名女性行人致其死亡,这是公共道路上首个已知的自动驾驶行人死亡事件。
2020年,有安全厂商公开了24个谷歌TensorFlow框架的安全漏洞,可能导致训练数据投毒或泄露。这些事故案例凸显了辅助驾驶系统安全的重要性。
需要指出的是,算法安全仅仅是辅助驾驶安全的冰山一角,在冰山之下,系统安全不容忽视。
系统安全需要硬件安全、软件安全以及网络安全等多维度的协同保障,并以功能安全认证(如ISO 26262)作为硬件安全、软件安全的系统性验证框架。
这要求企业在芯片定义之初,开发人员对系统乃至整车的系统安全都需要有深刻的理解。
以MPS为例,根据MPSafe™开发流程的要求,在芯片设计正式启动之前,从上层系统的功能安全要求出发,定义芯片级别需要满足的安全要求,逐层分析,将系统层级的功能安全逐层传递到芯片层级。
唯有通过一套系统严谨的流程,才有可能通过安全认证,最终走向市场。那么MPS是如何做到这一点,来帮助实现系统安全的呢?
二、符合多重车规安全标准 AEC-Q
与 ASIL 认证的双重保障
要想了解MPS在系统安全领域的实力,还要从“AEC-Q”与“ASIL”认证说起。
要知道,认证体系是确保系统可靠性的基础框架,车规级与功能安全认证是两个不同但互补的标准体系。
车规级认证依据的是AEC标准,测试对象为实物,仅针对电子元器件(如集成芯片、分立半导体、被动器件等),由器件供应商Tier 2进行认证测试,测试通过后可宣称器件符合AEC-Q***认证,这是一种非强制性的自我认证,无需第三方认证机构颁发证书。
功能安全认证则依据ISO 26262标准,认证范围更宽,对象可以是实物(如元器件、零部件),也可以是虚拟的非实体(如软件或公司流程)。
ISO 26262标准根据严重度(S)、暴露概率(E)和可控制性(C)三个维度,将汽车安全完整性等级(ASIL)分为A、B、C、D四个等级,其中D级为最高等级,要求最为严苛。
ASIL-D级认证要求芯片失效率小于10FIT(每亿小时故障数),单点故障覆盖率不低于99%,适用于安全气囊、防锁死刹车、方向盘等关键安全组件。
MPS作为在智能辅助驾驶系统安全领域领先的半导体公司,是行业中为数不多同时获得AEC-Q与ASIL认证芯片的企业,为整车智能化的安全提供双重保障。
其ASIL-D认证产品包括MPQ7420X、MPQ2967、MPQ70331等,ASIL-B认证产品包括MPQ77240等。
这些产品覆盖了辅助驾驶系统从核心供电到功能安全监测的全流程需求。
在AEC-Q认证方面,MPS芯片通过了严格的物理可靠性测试,包括HTOL(高温工作寿命测试)、温度循环测试(-40℃~125℃)、湿度敏感性测试(THB/HAST)以及软错误率(SER)测试等200多项测试。
以MPQ86960为例,其采用LGA-38封装(5×6mm),符合AEC-Q100 Grade 1认证,可在宽输入电压范围内实现高达50A的连续输出电流,为智能辅助驾驶SoC提供稳定可靠的电源支持。
在ASIL认证方面,MPS的MPSafe™开发流程已获得TÜV-SÜD颁发的ASIL-D等级认证。MPSafe™流程覆盖芯片定义、设计、制造、测试到量产的全生命周期管理,通过FMEDA(失效模式影响及诊断分析)、封装监管、第三方年度审核等技术手段,确保芯片满足最高安全标准。
MPS能为客户提供完整的、高可靠性的ASIL-D等级的ADAS解决方案,并拥有丰富的量产经验。
MPS汽车辅助驾驶(ADAS)解决方案
点击图片获取更多MPS ADAS相关资料
从具体的产品和量产能力来看,关键在于其技术领先、高性能与安全可靠并重。
在性能方面,单从技术参数对比来看,MPS方案在效率、封装尺寸和故障率方面具有显著优势。
以MPQ86960为例,其效率达95%以上,封装尺寸为5×6mm(LGA-38),诊断覆盖率≥99%,性能领先于市场上的同类型产品。
MPS方案的高集成度和小封装设计,使其能够在有限的车载空间内提供强大的电源管理能力,同时满足严格的车规级可靠性要求。
在系统功能安全方面,MPS的MPQ7420X能够为ADAS系统提供ASIL-D功能安全等级的解决方案,集成了逻辑内置自测试 (LBIST) 和模拟内置自测试 (ABIST) 等功能安全特性,采用先进的MPSafe™功能安全产品开发流程。
MPQ7420X是一款高度集成的电源管理解决方案,集成了高效率、高频率、四路输出的同步降压变换器、两个低压差(LDO)稳压器以及一个灵活的逻辑接口。
MPQ7420X每通道提供高达 3A 的连续输出电流 (IOUT),在宽输入电压 (VIN) 电源范围内具有出色的负载和线性调整率。它的四个降压变换器可并联工作,以提供 6A 或 12A 的 IOUT。此外,buck 1 还支持外部 DrMOS 操作,以提供高达 50A 的 IOUT。
MPQ7420X采用自适应恒定导通时间 (COT) 控制,以提供超快负载瞬态响应。其全面的保护功能包括了欠压锁定(UVLO)保护、过压保护(OVP)、过流保护(OCP)和过温关断保护。
MPQ7420X还集成了多页一次性可编程 (MOTP) 存储器,支持多达四个用户可配置页面。其输出电压 (VOUT)、开关频率 (fSW)、电流限制 (ILIM)、上电序列和许多其他参数也可通过一次性可编程 (OTP) 存储器或 I²C选择,实现了出色的系统灵活性。
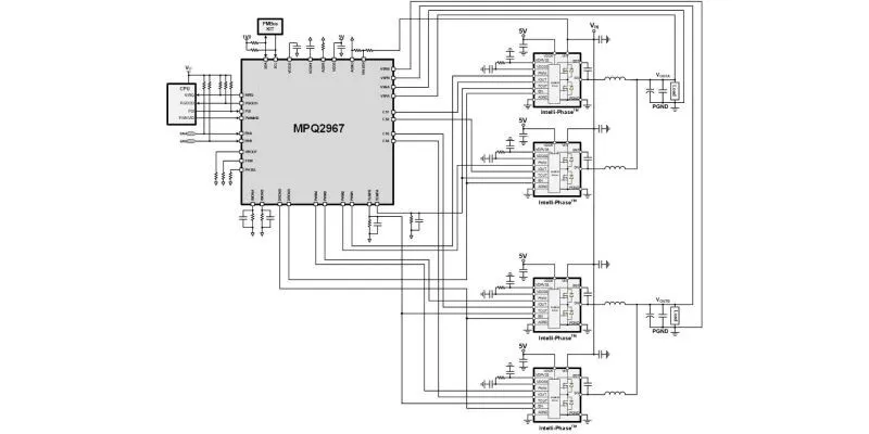
同时,MPS推出了MPQ2967+MPQ86960的多相电源方案,能为ADAS系统CPU/GPU带来超高的均衡电流,并拥有快速的瞬态响应能力,可为多种不同的ADAS主芯片提供安全可靠的供电。
MPQ2967是用于自动驾驶应用的双轨数字多相控制器,最多可配置为四相双轨。其独特的数字多相非线性控制技术能够以极少数量的输出电容提供对负载阶跃做出快速瞬态响应。
MPQ86960是内置功率MOSFET和栅极驱动器的单片半桥,支持高达50A的连续输出电流。它通过集成MOSFET和驱动可优化死区时间 (DT) 并降低寄生电感,从而实现高效率。
该方案集成了时序管理、功能安全监测、电流采样、温度采样等功能,采用COT(恒定导通时间)控制方式,实现极简的外部BOM,减少输出电容数量的同时确保负载瞬态快速响应。
在摄像头应用方面,符合ASIL-B等级的四通道高边开关MPQ77240FS-AEC1能够通过I²C实现对摄像头的诊断及保护。
MPQ77240是一款集成了三个高效率降压 DC/DC变换器和一个低噪声低压差 (LDO) 稳压器的电源管理IC (PMIC) 解决方案。当用于高分辨率摄像头应用时,它的双级 18V 降压架构可最大程度地提高CMOS传感器中1.8V 图像传感器 I/O 轨的效率。
MPQ77240带锁相环 (PLL) 的恒定导通时间 (COT) 控制可提供快速瞬态响应。在连续导通模式 (CCM) 下,2.2MHz 的固定开关频率 (fSW) 可大幅降低对外部电感和电容的要求。此外,它提供数字接口以提高应用灵活性,输出电压 (VOUT) 、上电顺序和保护阈值均可通过该接口进行调整,同时也提供故障状态监控与完善的保护功能。
目前,MPS高性能、高可靠性的ADAS解决方案已被市场上的主流辅助驾驶SoC所采用。之所以能够获得市场的认可,关键在于其技术领先与安全可靠并重的特点,以及丰富的量产经验和本土化服务网络。
MPS方案不仅满足国际标准认证,还能快速响应本土车企需求,提供定制化解决方案。
MPS在成都建设全球研发及测试基地(该项目占地32亩,建筑面积7.5万平米),有望成为亚洲最大的模拟和混合信号集成电路研发中心,包括研发中心、测试中心、运营中心和营销中心,每年可测试电源管理芯片高达200亿颗,为本土车企提供从设计到量产的全流程支持。
我们还在杭州、上海、深圳等地建有研发与销售中心,同时也在北京、西安、广州、南京、武汉、厦门、青岛等多个城市设有办事处,可提供快速的技术支持,确保客户的需求第一时间获得响应。
强大的支持团队,助力车企更快将最新技术“上车”。
MPS通过行业领先的ASIL-D认证车规级芯片和强大服务网络,为辅助驾驶系统提供了从芯片到方案的全方位安全保障,助力车企在智能化竞争中占据优势地位。
随着智能驾驶技术加速落地,硬件安全已成为行业共识。
从芯片级物理可靠性到系统级功能安全,AEC-Q与ASIL认证体系为行业构建了基础标准框架。
MPS的高级驾驶辅助系统(ADAS)解决方案,作为满足主流辅助驾驶平台需求的典型实践,体现了本土化研发与国际标准融合的价值。
在高阶智能辅助驾驶逐步推进的背景下,硬件安全的稳定性、冗余设计及快速响应能力,将成为保障辅助驾驶系统长期可靠运行的关键环节。





